Правила форума
- Используйте поиск по темам. Быть может Ваша проблема уже обсуждалась. - Не забывайте указывать модель двигателя, если вопрос касается его работы. - Иногда необходимо указывать год выпуска автомобиля. - Заголовок темы должен отражать суть вашего поста. Остальные правила общения
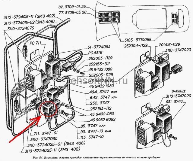
скинте ктонибуть как выглядит реле поворотников. поворотники неработают,на аварийке сробатывет и реле и сами поворотники.стоп я так пнял что реле одно и тоже тогда в чем дело?
Последний раз редактировалось ROMAN666 31 авг 2011 14:59, всего редактировалось 1 раз.